客(kè)戶服務
| 地址: | 河北省(sheng)泊頭市5hh❌hh🌈道東街(jie)88号 |
| 電話: | 0317-8185077 |
| 0317-8263980 | |
| 0317-8223128 | |
| 傳真: | 0317-8265584 |
| E-mail: | [email protected] |
技(jì)術支持
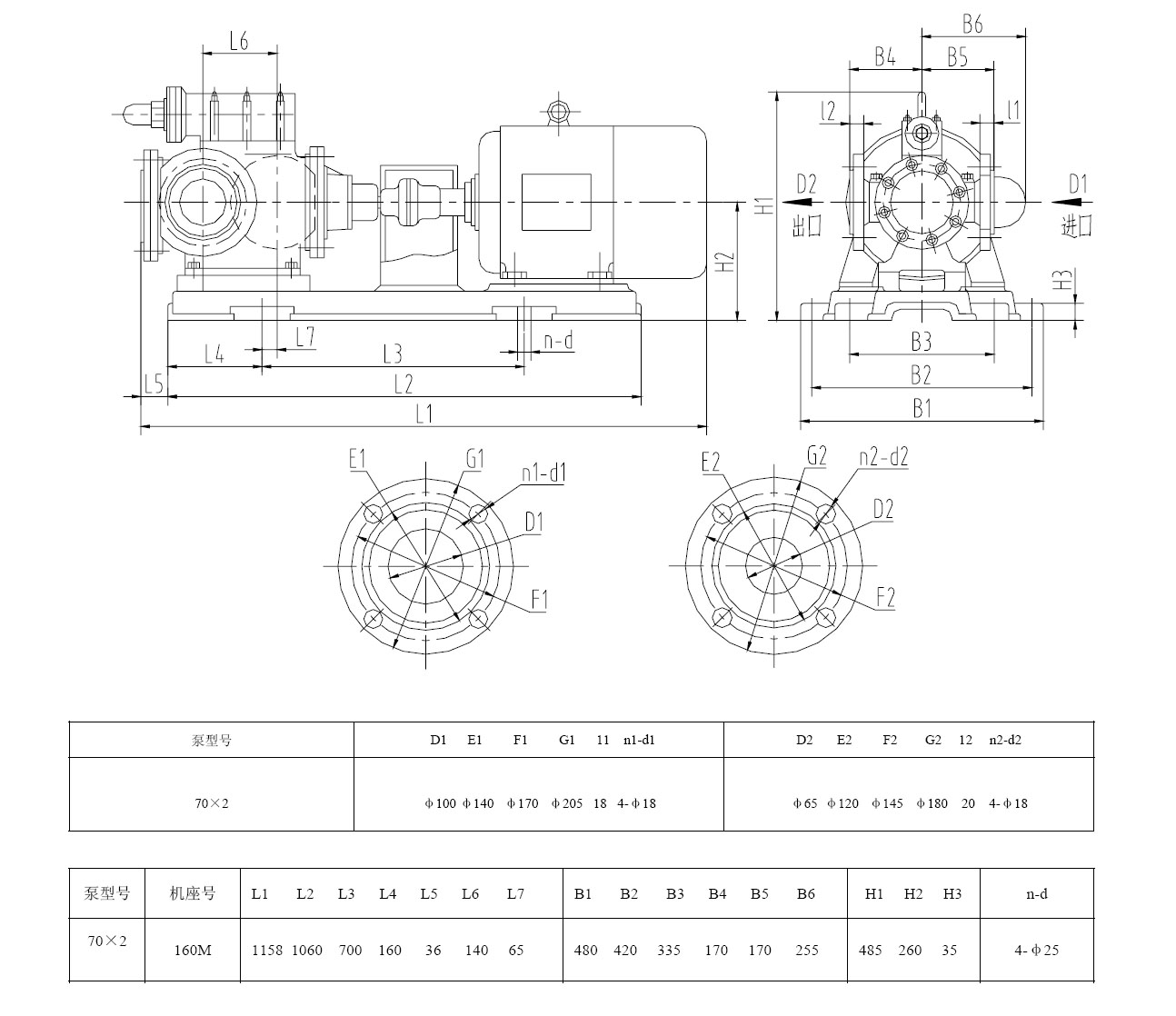
| 3GR70*2W2三螺杆泵配7.5KW-4電(diàn)機尺寸圖 |
| 發布(bu)時間:2019-6-16 17:05:56 點擊次數(shu): |
3GR70*2W2三螺杆泵(beng)配7.5KW-4電機尺寸圖(tu),該三螺杆泵流(liú)量24m3/h,壓力0.6Mpa,吸入真(zhen)空高度4.5米,進口(kǒu)100米,出口65米.
3G型(xíng)
遠東泵(beng)業3G三螺杆泵産(chǎn)品業績: 1.舟(zhou)山海光海運有(yǒu)限公司 3GCL110×2W2三(sān)螺杆泵,配YH30KW-4電機(ji),該泵流量:94m3/h,壓力(lì):0.45Mpa 2.濟南(nan)威德克液壓機(jī)電有限公司 3GCL100×2W2三(san)螺杆泵,配Y30KW-4電機(jī),該泵流量:70m3/h,壓力(lì):0.6Mpa 3GR50×4AW2三(sān)螺杆泵,配Y11KW-4電機(jī),該泵流量:7.5,壓力(lì):2.5 4.九江銀星(xing)造船有限公司(si) 3GCL100×2W2三螺杆泵(bèng),配YH22KW-4電機,該泵流(liu)量:70m3/h,壓力:0.6Mpa |
版權(quán)所有:芜湖韦纳计算机设备集团 電話:0317-8183535
傳真(zhēn):0317-8265584 E-mail:[email protected]備案号:冀ICP05010751号-3
傳真(zhēn):0317-8265584 E-mail:[email protected]備案号:冀ICP05010751号-3

